方型座、安裝面與85系列、60系列和38系列的步進電機軸匹配。
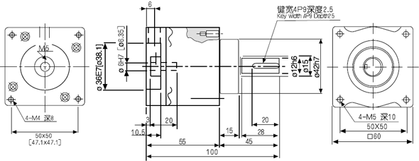
BRA 815(82)
5相2相
·容許軸向負載60kgf
·容許徑向負載

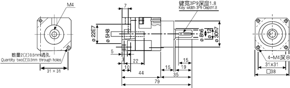
BRA 85 (82)
5相2相
·容許軸向負載30kgf
·容許徑向負載10kgf

BRA 35
·容許軸向負載2kgf
·容許徑向負載3kgf

BRA 28
·容許軸向負載1 5kgf
·容許徑向負載3 0kgf
·容許傳遞扭矩3kgf cm
·遲滯量±180角秒
·減速比1/10
·質量120g
·型式表示僅為BRA28—10

所有尺寸均為公制。
圓括號()中的尺寸適用于2相步進電機。
與電機連接并擰緊設置螺栓,在螺栓上涂Loctte膠水以防反松。
如安裝不同尺寸的電機,請?zhí)峁╇姍C和軸的尺寸,以配適當的適配器。
要想使用此表中所列容量更高的減速,請參照BR或BBR系列部分的球減速機。
球減速器的輸入方式Ball Reducer lnput Mefhods
軸形式輸入Shan Type lnpul
同軸動力輸入(十字滑塊連軸器連接)
連軸器的內部司隙,會對減速機的輸出軸有影響。
微小的司隙是幾乎沒有問題的,但可能的情況下,
請盡量使用沒有背隙的連軸器。

外部動力輸入
如圖通過齒輪,皮帶輪從外部動力輸入的情況下,請注意
以下幾點:
齒輪、皮帶輪等插入的日寸候,請現場調整連接鍵的配合。
如果過分使用蠻力裝入的話,會造成減速機內部軸向動作
作不良
請注意不要過度設定皮帶輪的張力值,這樣可以=能導致
輸入軸的折斷,彎曲和產生內部的偏心應加。

