Product list產品列表
Customer service在線客服
產品展示
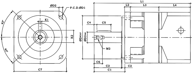
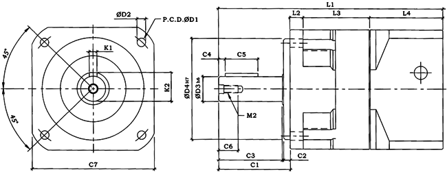
PHT行星式減速機尺寸(DS060型)

DS060尺寸(單位:mm)
|
|
一段 二段 |
項次 |
單位 |
段數 |
|
|
D1 |
70 |
額定輸出轉矩Tn |
Nm |
1,2 |
60 |
|
D2 |
5 |
瞬間最大輸出轉矩Tp |
Nm |
1,2 |
Tn×3 |
|
D3 |
16 |
背隙 |
Arcmin |
1 |
≦5 |
|
D4 |
50 |
2 |
≦6 | ||
|
D5 |
|
扭轉剛性 |
Nm/Arcmin |
1,2 |
6.5 |
|
C1 |
35 |
容許徑向力FLR |
N |
1,2 |
1400 |
|
C2 |
7 |
容許軸向力FLA |
N |
1,2 |
800 |
|
C3 |
27 |
效率 |
% |
1,2 |
95 |
|
C4 |
3 |
重量 |
Kg |
1 |
1.4 |
|
C5 |
20 |
2 |
1.4 | ||
|
C6 |
12 |
操作溫度 |
℃ |
1,2 |
-10℃~+90℃ |
|
C7 |
60 |
防護等級 |
|
|
IP65 |
|
L1 |
125 147 |
| |||
|
L2 |
10 | ||||
|
L3 |
40 62 | ||||
|
L4 |
40 | ||||
|
M1 |
| ||||
|
M2 |
M5×0.8P | ||||
|
K1 |
5 | ||||
|
K2 |
17 | ||||
|
型號 |
段數 | |
|
L1 |
L2 | |
|
DS 060 |
3.5.10 |
9.15.25.30.50.100 |

PHT行星式減速機尺寸(DS070型)

DS 070 尺寸(單位:mm)
|
|
一段 二段 |
項次 |
單位 |
段數 |
|
|
D1 |
75 |
額定輸出轉矩Tn |
Nm |
1,2 |
60 |
|
D2 |
5.5 |
瞬間最大輸出轉矩Tp |
Nm |
1,2 |
Tn×3 |
|
D3 |
16 |
背隙 |
Arcmin |
1 |
≦5 |
|
D4 |
60 |
2 |
≦6 | ||
|
D5 |
|
扭轉剛性 |
Nm/Arcmin |
1,2 |
6.5 |
|
C1 |
33 |
容許徑向力FLR |
N |
1,2 |
1400 |
|
C2 |
5 |
容許軸向力FLA |
N |
1,2 |
800 |
|
C3 |
27 |
效率 |
% |
1,2 |
95 |
|
C4 |
3 |
重量 |
Kg |
1 |
1.3 |
|
C5 |
20 |
2 |
1.6 | ||
|
C6 |
12 |
操作溫度 |
℃ |
1,2 |
-10℃~+90℃ |
|
C7 |
68 |
防護等級 |
|
|
IP65 |
|
L1 |
125 147 |
| |||
|
L2 |
10 | ||||
|
L3 |
40 62 | ||||
|
L4 |
40 | ||||
|
M1 |
| ||||
|
M2 |
M5×0.8P | ||||
|
K1 |
5 | ||||
|
K2 |
17 | ||||
|
型號 |
段數 | |
|
L1 |
L2 | |
|
DS 070 |
3.5.10 |
9.15.25.30.50.100 |

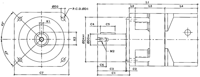
PHT行星式減速機尺寸(DS090型)

DS 090 尺寸(單位:mm)
|
|
一段 二段 |
項次 |
單位 |
段數 |
|
|
D1 |
100(105) |
額定輸出轉矩Tn |
Nm |
1,2 |
220 |
|
D2 |
6.8 |
瞬間最大輸出轉矩Tp |
Nm |
1,2 |
Tn×3 |
|
D3 |
20 |
背隙 |
Arcmin |
1 |
≦4 |
|
D4 |
80 |
2 |
≦5 | ||
|
D5 |
|
扭轉剛性 |
Nm/Arcmin |
1,2 |
13.7 |
|
C1 |
54.5 |
容許徑向力FLR |
N |
1,2 |
6200 |
|
C2 |
6 |
容許軸向力FLA |
N |
1,2 |
5200 |
|
C3 |
48.5 |
效率 |
% |
1,2 |
95 |
|
C4 |
5 |
重量 |
Kg |
1 |
3.2 |
|
C5 |
25 |
2 |
4.2 | ||
|
C6 |
15 |
操作溫度 |
℃ |
1,2 |
-10℃~+90℃ |
|
C7 |
92 |
防護等級 |
|
|
IP65 |
|
L1 |
168 195.5 |
| |||
|
L2 |
12 | ||||
|
L3 |
51.5 79 | ||||
|
L4 |
50 | ||||
|
M1 |
| ||||
|
M2 |
M6×P1.5 | ||||
|
K1 |
6 | ||||
|
K2 |
23 | ||||
|
型號 |
段數 | ||
|
L1 |
L2 |
L3 | |
|
DS 090 |
3.4.5.7.10 |
9.12.15.16.20.21.25.28.
30.35.40.49.50.70.100 |
36.45.60.75.80.90.150.200.
300.400.500.700.1000 |

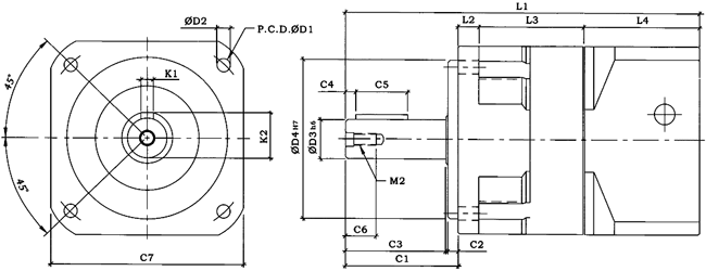
PHT行星式減速機尺寸(DS120型)

DS 120 尺寸(單位:mm)
|
|
一段 二段 |
項次 |
單位 |
段數 |
|
|
D1 |
130 |
額定輸出轉矩Tn |
Nm |
1,2 |
325 |
|
D2 |
9 |
瞬間最大輸出轉矩Tp |
Nm |
1,2 |
Tn×3 |
|
D3 |
24 32 |
背隙 |
Arcmin |
1 |
≦5 |
|
D4 |
110 |
2 |
≦6 | ||
|
D5 |
|
扭轉剛性 |
Nm/Arcmin |
1,2 |
27 |
|
C1 |
58 |
容許徑向力FLR |
N |
1,2 |
7500 |
|
C2 |
5 |
容許軸向力FLA |
N |
1,2 |
3225 |
|
C3 |
51 |
效率 |
% |
1,2 |
95 |
|
C4 |
5 |
重量 |
Kg |
1 |
4.6 |
|
C5 |
40 |
2 |
5.8 | ||
|
C6 |
27 |
操作溫度 |
℃ |
1,2 |
-10℃~+90℃ |
|
C7 |
114 |
防護等級 |
|
|
IP65 |
|
L1 |
170 198 |
| |||
|
L2 |
11 | ||||
|
L3 |
48.5 76.5 | ||||
|
L4 |
52 | ||||
|
M1 |
| ||||
|
M2 |
M8×P1.5 | ||||
|
K1 |
10 | ||||
|
K2 |
27 | ||||
|
型號 |
段數 | ||
|
L1 |
L2 |
L3 | |
|
DS 120 |
3.4.5.7.10 |
9.12.15.16.20.21.25
.28.35.49 |
45.60.75.80.100.125.140.175.
245.343 |

PHT行星式減速機尺寸(DS150型)

DS 150 尺寸(單位:mm)
|
|
一段 二段 |
項次 |
單位 |
段數 |
|
|
D1 |
165 |
額定輸出轉矩Tn |
Nm |
1,2 |
600 |
|
D2 |
11 |
瞬間最大輸出轉矩Tp |
Nm |
1,2 |
Tn×3 |
|
D3 |
38 42 |
背隙 |
Arcmin |
1 |
≦5 |
|
D4 |
130 |
2 |
≦6 | ||
|
D5 |
|
扭轉剛性 |
Nm/Arcmin |
1,2 |
48 |
|
C1 |
85 |
容許徑向力FLR |
N |
1,2 |
14000 |
|
C2 |
4 |
容許軸向力FLA |
N |
1,2 |
12000 |
|
C3 |
67 |
效率 |
% |
1,2 |
95 |
|
C4 |
5 |
重量 |
Kg |
1 |
13 |
|
C5 |
45 |
2 |
17 | ||
|
C6 |
32 |
操作溫度 |
℃ |
1,2 |
-10℃~+90℃ |
|
C7 |
142 |
防護等級 |
|
|
IP65 |
|
L1 |
261 313 |
| |||
|
L2 |
15 | ||||
|
L3 |
66 118 | ||||
|
L4 |
95 | ||||
|
M1 |
| ||||
|
M2 |
M12×1.75P | ||||
|
K1 |
10 | ||||
|
K2 |
45 | ||||
|
型號 |
段數 | ||
|
L1 |
L2 |
L3 | |
|
DS 150 |
3.4.5.7.10 |
9.12.15.16.20.21.25.28
.30.35.40.49.50.70.100 |
48.64.75.80.112.125.147.160.
175.196.245.250.300.400.490.
500.1000 |

PHT行星式減速機尺寸(DS180型)

DS 180 尺寸(單位:mm)
|
|
一段 二段 |
項次 |
單位 |
段數 |
|
|
D1 |
215 |
額定輸出轉矩Tn |
Nm |
1,2 |
1185 |
|
D2 |
13 |
瞬間最大輸出轉矩Tp |
Nm |
1,2 |
Tn×3 |
|
D3 |
50 55 |
背隙 |
Arcmin |
1 |
≦6 |
|
D4 |
160 |
2 |
≦7 | ||
|
D5 |
|
扭轉剛性 |
Nm/Arcmin |
1,2 |
115 |
|
C1 |
94 |
容許徑向力FLR |
N |
1,2 |
22000 |
|
C2 |
10 |
容許軸向力FLA |
N |
1,2 |
20000 |
|
C3 |
83 |
效率 |
% |
1,2 |
92 |
|
C4 |
6 |
重量 |
Kg |
1 |
36 |
|
C5 |
70 |
2 |
45.2 | ||
|
C6 |
40 |
操作溫度 |
℃ |
1,2 |
-10℃~+90℃ |
|
C7 |
180 |
防護等級 |
|
|
IP65 |
|
L1 |
319 401 |
| |||
|
L2 |
25 | ||||
|
L3 |
90 172 | ||||
|
L4 |
110 | ||||
|
M1 |
| ||||
|
M2 |
M12×1.75P | ||||
|
K1 |
14 | ||||
|
K2 |
57 | ||||
|
型號 |
段數 | ||
|
L1 |
L2 |
| |
|
DS180 |
3.4.5.7.10 |
9.12.15.16.20.21.25.28.
30.35.40.49.50.70.100 |
|

PHT行星式減速機尺寸(DL060型)

DL 060尺寸(單位:mm)
|
|
一段 二段 |
項次 |
單位 |
段數 |
|
|
D1 |
50 |
額定輸出轉矩Tn |
Nm |
1,2 |
65 |
|
D2 |
|
瞬間最大輸出轉矩TP |
Nm |
1,2 |
Tn×2 |
|
D3 |
16 |
背隙 |
Arcmin |
1 |
≦10 |
|
D4 |
40 |
2 |
≦12 | ||
|
D5 |
60 |
扭轉剛性 |
Nm/Arcmin |
1,2 |
7 |
|
C1 |
35 |
容許徑向力FLR |
N |
1,2 |
840 |
|
C2 |
7 |
容許軸向力FLA |
N |
1,2 |
605 |
|
C3 |
27 |
效率 |
% |
1,2 |
95 |
|
C4 |
3 |
重量 |
Kg |
1 |
1.1 |
|
C5 |
20 |
2 |
1.6 | ||
|
C6 |
12 |
操作溫度 |
℃ |
1,2 |
-10℃~+90℃ |
|
C7 |
60 |
防護等級 |
|
|
IP65 |
|
L1 |
123 141 |
| |||
|
L2 |
17.5 | ||||
|
L3 |
46 64 | ||||
|
L4 |
24.5 | ||||
|
M1 |
M5×0.8P | ||||
|
M2 |
M5×0.8P | ||||
|
K1 |
5 | ||||
|
K2 |
18 | ||||
|
型號 |
段數 | |
|
L1 |
L2 | |
|
DL 060 |
3.4.5.7.10 |
9.12.15.16.20.21.25.28.
30.35.40.49.50.70.100 |

PHT行星式減速機尺寸(DH060型)

DH 060 尺寸(單位:mm)
|
|
一段 二段 |
項次 |
單位 |
段數 |
|
|
D1 |
70 |
額定輸出轉矩Tn |
Nm |
1,2 |
65 |
|
D2 |
5 |
瞬間最大輸出轉矩TP |
Nm |
1,2 |
Tn×2 |
|
D3 |
16 |
背隙 |
Arcmin |
1 |
≦10 |
|
D4 |
50 |
2 |
≦12 | ||
|
D5 |
|
扭轉剛性 |
Nm/Arcmin |
1,2 |
7 |
|
C1 |
35 |
容許徑向力FLR |
N |
1,2 |
840 |
|
C2 |
7 |
容許軸向力FLA |
N |
1,2 |
605 |
|
C3 |
27 |
效率 |
% |
1,2 |
95 |
|
C4 |
3 |
重量 |
Kg |
1 |
|
|
C5 |
20 |
2 |
| ||
|
C6 |
12 |
操作溫度 |
℃ |
1,2 |
-10℃~+90℃ |
|
C7 |
60 |
防護等級 |
|
|
IP65 |
|
L1 |
123 141 |
| |||
|
L2 |
8 | ||||
|
L3 |
46 64 | ||||
|
L4 |
34 | ||||
|
M1 |
| ||||
|
M2 |
M5×0.8P | ||||
|
K1 |
5 | ||||
|
K2 |
18 | ||||
|
型號 |
段數 | |
|
L1 |
L2 | |
|
DH 060 |
3.4.5.7.10 |
9.12.15.16.20.21.25.28.
30.35.40.49.50.70.100 |

PHT行星式減速機尺寸(DL090型)

DL 090 尺寸(單位:mm)
|
|
一段 二段 |
項次 |
單位 |
段數 |
|
|
D1 |
105 |
額定輸出轉矩Tn |
Nm |
1,2 |
220 |
|
D2 |
6.8 |
瞬間最大輸出轉矩TP |
Nm |
1,2 |
Tn×3 |
|
D3 |
20 |
背隙 |
Arcmin |
1 |
≦8 |
|
D4 |
80 |
2 |
≦10 | ||
|
D5 |
|
扭轉剛性 |
Nm/Arcmin |
1,2 |
11 |
|
C1 |
55 |
容許徑向力FLR |
N |
1,2 |
6000 |
|
C2 |
5 |
容許軸向力FLA |
N |
1,2 |
5000 |
|
C3 |
49 |
效率 |
% |
1,2 |
95 |
|
C4 |
5 |
重量 |
Kg |
1 |
3.5 |
|
C5 |
25 |
2 |
4.5 | ||
|
C6 |
15 |
操作溫度 |
℃ |
1,2 |
-10℃~+90℃ |
|
C7 |
95 |
防護等級 |
|
|
IP65 |
|
L1 |
172 198 |
| |||
|
L2 |
10 | ||||
|
L3 |
51 77 | ||||
|
L4 |
56 | ||||
|
M1 |
| ||||
|
M2 |
M6×1.0P | ||||
|
K1 |
6 | ||||
|
K2 |
22.5 | ||||
|
型號 |
段數 | ||
|
L1 |
L2 |
L3 | |
|
DL 090 |
3.4.5.7.10 |
12.15.16.20.21.25.28.
30.35.40.49.50.70.100 |
36.45.60.75.80.90.150.200.
300.400.500.700.1000 |

PHT行星式減速機尺寸(DH090型)

DH 090 尺寸(單位:mm)
|
|
一段 二段 |
項次 |
單位 |
段數 |
|
|
D1 |
105 |
額定輸出轉矩Tn |
Nm |
1,2 |
220 |
|
D2 |
6.8 |
瞬間最大輸出轉矩TP |
Nm |
1,2 |
Tn×3 |
|
D3 |
20 |
背隙 |
Arcmin |
1 |
≦8 |
|
D4 |
80 |
2 |
≦10 | ||
|
D5 |
|
扭轉剛性 |
Nm/Arcmin |
1,2 |
11 |
|
C1 |
55 |
容許徑向力FLR |
N |
1,2 |
6000 |
|
C2 |
5 |
容許軸向力FLA |
N |
1,2 |
5000 |
|
C3 |
49 |
效率 |
% |
1,2 |
95 |
|
C4 |
5 |
重量 |
Kg |
1 |
3.5 |
|
C5 |
25 |
2 |
4.5 | ||
|
C6 |
15 |
操作溫度 |
℃ |
1,2 |
-10℃~+90℃ |
|
C7 |
95 |
防護等級 |
|
|
IP65 |
|
L1 |
172 198 |
| |||
|
L2 |
10 | ||||
|
L3 |
51 77 | ||||
|
L4 |
56 | ||||
|
M1 |
| ||||
|
M2 |
M6×1.0P | ||||
|
K1 |
6 | ||||
|
K2 |
22.5 | ||||
|
型號 |
段數 | ||
|
L1 |
L2 |
L3 | |
|
DL 090 |
3.4.5.7.10 |
12.15.16.20.21.25.28.
30.35.40.49.50.70.100 |
36.45.60.75.80.90.150.200.
300.400.500.700.1000 |

| 頁次:1/2 每頁10條 共12條信息 分頁:[1][2] |
